-
机电产品部
-
润滑油产品部
-
电子产品部
独特的设计,使用完毕后油脂桶内的油脂残存量很少

ACG-020和ACG-040适用油脂桶型:

配管系统例子

用于ACV定量阀的空压阀ACG-020型
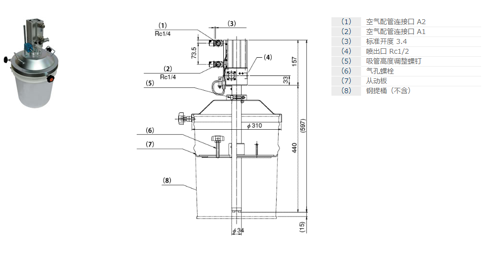
作为钢提桶用开发的供应泵。(不含钢提桶。)

热门推荐
当前位置:首页>公司产品>机电产品部>IHI 自动润滑系统>定量系统
独特的设计,使用完毕后油脂桶内的油脂残存量很少

ACG-020和ACG-040适用油脂桶型:


作为钢提桶用开发的供应泵。(不含钢提桶。)

热门推荐