-
机电产品部
-
润滑油产品部
-
电子产品部
用于CVM定量阀的空压阀ACG-040H型
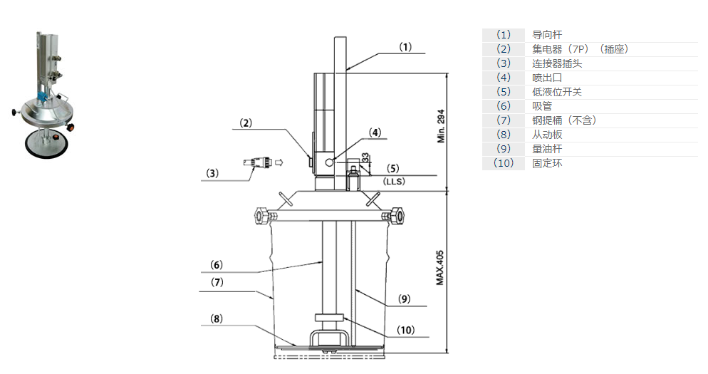
由于通过泵自动加压式来提高吸入性,因此也能适用粘度较高的润滑脂。


热门推荐
当前位置:首页>公司产品>机电产品部>IHI 自动润滑系统>定量系统
由于通过泵自动加压式来提高吸入性,因此也能适用粘度较高的润滑脂。


热门推荐